• Via per Carpiano 24-26 - 20077 Melegnano (MI)

Italian HighTech Stainless Steel Manufacturer

... ... ... ... ... ... ... ...

STANDARD

The delivery requirements of Bercellesi Berinox’s products are in accordance with the following standards.

Fittings
-EN 10253-3: Butt-welding pipe fittings part 3: wrought austenitic and austenitic-ferritic (duplex) stainless steels without specific inspection requirements

- EN 10253-4: Butt-welding pipe fittings Part 4: wrought austenitic and austenitic-ferritic (duplex) stainless steels with specific inspection requirements

Bercellesi Standard: Stainless steel butt-welding pipe fittings austenitic and austenitic-ferritic (duplex) with supply requirements in accordance with EN 10253-3 with outside diameters differing from the EN as referred to.

Pressed Collars Type 33 and 37
- EN 1092-1: Flanges and their joints: Circular flanges for pipes, valves, fittings, and accessories, PN designated – Part 1 Steel Flanges.

Bercellesi Standard:
Pressed Collars Type 33 and 37 with supply requirements in accordance with EN 1092-1 with outside diameters differing from the EN as referred to.


Fittings

The tolerances indicated comply with the EN 10253-3

DIMENSIONS (MM) Tolerances
Outside diameter EN tolerance class: D2 ± 1,0% or ± 0,5mm
Whichever is the greater
Wall Thickness T ≤ 4 -12,5% / 20%
Wall Thickness T > 4 -12,5% / 15%
Outside diameter F-G-H-L K
From ≤ 114,3
From 114,3 < to d ≤ 219,1
From 219,1 < to d ≤ 406,4
From 406,4 < to d ≤ 762
From 762 < to d ≤ 1219
± 2 mm ± 4 mm
± 2 mm ± 7mm
± 3 mm ± 7 mm
± 5 mm ± 7 mm
± 10 mm ± 10 mm

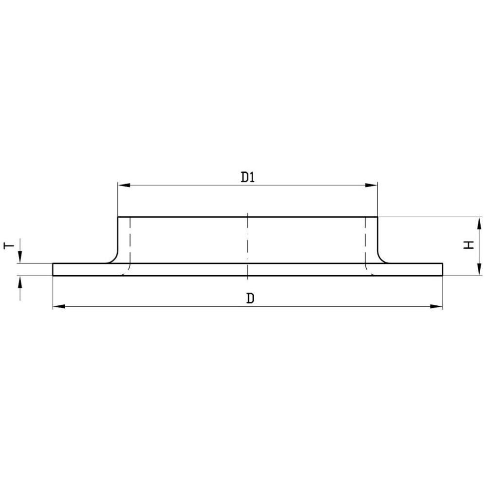
Pressed collars Type 33 and 37

The Tolerances indicated comply with EN 1092-1

DIMENSIONS (MM) Tolerances
Wall thickness T on neck:
DN ≤ 600
DN > 600
-12,5% / + 15 %
-0,5 % / + 15 %
Wall thickness on flange
T ≤ 5 mm
± 0,2 mm
Height H:
From DN ≤ 80
From DN > 80 to DN ≤ 250
From DN > 250
± 1,5 mm
± 2 mm
± 3 mm
Diameter on neck D1:
DN ≤ 150
DN > 150
± 0,75% min ± 0,3 mm
± 1% max ± 3,0 mm
Diameter on Flange D:
DN ≤ 250
DN > 250
-1 / +2 mm
-1 / +3 mm

Berinox © 2023 Design

Call us
Contact